亞蘭M3 (M37G)
€20.00
SKU :
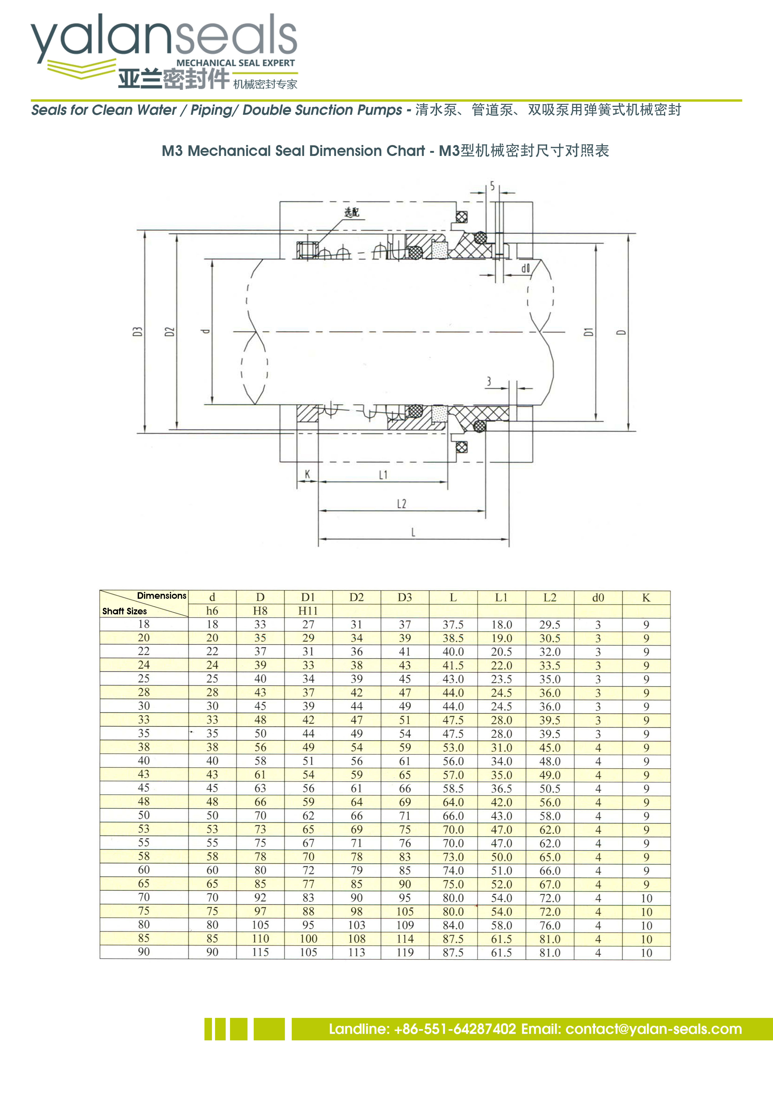
M3
基本特點
- 結構:單端面
- 壓力:普通壓力
- 轉速:普通轉速
- 溫度:可耐高溫
- 特性:耐磨
- 標準:DIN24960,ISO3069,GB6556
- 型號:M3,M37G
- 平衡:非平衡型
- 軸徑范圍:8 mm到100 mm
產品詳細描述
亞蘭M3(M37G)、M3N及M377型機械密封件,用于清水泵、循環泵和真空泵。
結構特點:單端面,非平衡型,錐形彈簧,固定旋向、彈簧傳動機械密封件。此機械密封件結構簡單,可靠性高,性能穩定,彈簧補償性能優秀。
執行標準:DIN24960,ISO3069,GB6556
應用領域:廣泛用于化工離心泵、清水泵、污水泵、溫控泵、潛水泵和導熱油泵。主要用于煉油、化工、化學品輸送、水處理、化纖制造等行業。此產品可以完全替代伊戈爾博格曼的M3系列機械密封件及Flexibox和Roten的同類型機械密封件產品。

